Fuente: electronicdesign.com
Arquitectura del sistema de gestión de la batería
Un sistema de administración de batería (BMS) generalmente consta de varios bloques funcionales, incluidos transmisores de efecto de campo de corte (FET), monitor de indicador de combustible, monitor de voltaje de celda, equilibrio de voltaje de celda, reloj en tiempo real, monitores de temperatura y un máquina estatal(Figura 1). Hay varios tipos de circuitos integrados BMS disponibles.

La agrupación de bloques funcionales varía ampliamente desde una interfaz analógica simple, como la ISL94208, que ofrece equilibrio y monitoreo y requiere un microcontrolador, hasta una solución integrada independiente que se ejecuta de forma autónoma (por ejemplo, la ISL94203). Ahora examinemos el propósito y la tecnología detrás de cada bloque, así como los pros y los contras de cada tecnología.
Cutoff FET y controlador FET
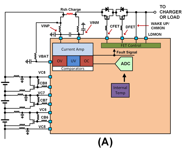
Un bloque funcional del controlador FET es responsable de la conexión y el aislamiento del paquete de baterías entre la carga y el cargador. El comportamiento del controlador FET se basa en mediciones de voltajes de celdas de batería, mediciones de corriente y circuitos de detección en tiempo real. La Figura 2 ilustra dos tipos diferentes de conexiones FET entre la carga y el cargador y el paquete de baterías.
La Figura 2A requiere la menor cantidad de conexiones al paquete de baterías y limita los modos de funcionamiento del paquete de baterías a carga, descarga o suspensión. La dirección del flujo de corriente y el comportamiento de una prueba específica en tiempo real determinan el estado del dispositivo.
2. Se muestran esquemas FET de corte para una sola conexión entre la carga y el cargador (A), y una conexión de dos terminales que permite la carga y descarga simultáneas (B).


Por ejemplo, el ISL94203 tiene un monitor de canal (CHMON) que monitorea el voltaje en el lado derecho de los FET de corte. Si se conecta un cargador y el paquete de baterías está aislado de él, la corriente inyectada hacia el paquete de baterías hará que el voltaje aumente hasta el voltaje de suministro máximo del cargador. El nivel de voltaje en CHMON se dispara, lo que le permite al dispositivo BMS saber que hay un cargador. Para determinar una conexión de carga, se inyecta una corriente en la carga para determinar si hay una carga presente. Si el voltaje en el pin no aumenta significativamente al inyectar corriente, el resultado determina que hay una carga. A continuación, se enciende el DFET del controlador FET. El esquema de conexión de la Figura 2B permite que la batería funcione mientras se carga.
Los controladores FET pueden diseñarse para conectarse al lado alto o bajo de un paquete de baterías. Una conexión del lado alto requiere un controlador de bomba de carga para activar los FET NMOS. Cuando se usa un controlador de lado alto, permite una referencia de tierra sólida para el resto de los circuitos. Las conexiones del controlador FET de lado bajo se encuentran en algunas soluciones integradas para reducir el costo, porque no necesitan una bomba de carga. Tampoco requieren dispositivos de alto voltaje, que consumen un área de matriz más grande. El uso de los FET de corte en el lado bajo hace flotar la conexión a tierra del paquete de baterías, haciéndolo más susceptible al ruido inyectado en la medición. Esto afecta el rendimiento de algunos circuitos integrados.
Mediciones de combustible / corriente
El bloque funcional del indicador de combustible realiza un seguimiento de la carga que entra y sale del paquete de baterías. La carga es el producto de la corriente y el tiempo. Se pueden utilizar varias técnicas diferentes al diseñar un indicador de combustible.
Un amplificador de detección de corriente y una MCU con un convertidor analógico a digital (ADC) de baja resolución integrado es un método de medición de corriente. El amplificador de detección de corriente, que funciona en entornos de alto modo común, amplifica la señal, lo que permite mediciones de mayor resolución. Sin embargo, esta técnica de diseño sacrifica el rango dinámico.
Otras técnicas utilizan un ADC de alta resolución o un costoso CI de indicador de combustible. Comprender el consumo de corriente del comportamiento de la carga frente al tiempo determina el mejor tipo de diseño de indicador de combustible.
La solución más precisa y rentable es medir el voltaje a través de una resistencia de detección utilizando un ADC de 16 bits o superior con baja compensación y alta clasificación de modo común. Un ADC de alta resolución ofrece un amplio rango dinámico a expensas de la velocidad. Si la batería está conectada a una carga errática, como un vehículo eléctrico, el ADC lento puede perder picos de corriente de alta magnitud y alta frecuencia entregados a la carga.
Para cargas erráticas, un ADC de registro aproximado sucesivo (SAR) con quizás un extremo frontal de amplificador de detección de corriente puede ser más deseable. Cualquier error de compensación afecta el error general en la cantidad de carga de la batería. Los errores de medición a lo largo del tiempo causarán errores significativos en el estado de carga de la batería. Una compensación de medición de 50 µV o menos con una resolución de 16 bits es adecuada para medir la carga.
Voltaje de celda y maximización de la vida útil de la batería
Monitorear el voltaje de la celda de cada celda en un paquete de baterías es esencial para determinar su estado general. Todas las celdas tienen una ventana de voltaje de funcionamiento donde se debe realizar la carga / descarga para garantizar un funcionamiento adecuado y la vida útil de la batería. Si una aplicación utiliza una batería con una sustancia química de litio, el voltaje de funcionamiento suele oscilar entre 2,5 y 4,2 V. El rango de voltaje depende de la química. Operar la batería fuera del rango de voltaje reduce significativamente la vida útil de la celda y puede inutilizarla.
Las celdas están conectadas en serie y en paralelo para formar un paquete de baterías. Una conexión en paralelo aumenta la transmisión de corriente del paquete de baterías, mientras que una conexión en serie aumenta el voltaje general. El rendimiento de una celda tiene una distribución: en un tiempo igual a cero, las tasas de carga y descarga de la celda del paquete de baterías son las mismas. A medida que cada celda cambia entre carga y descarga, las tasas de carga y descarga de cada celda cambian. Esto da como resultado una distribución extendida a través de un paquete de baterías.
Una forma sencilla de determinar si un paquete de baterías está cargado es monitorear el voltaje de cada celda a un nivel de voltaje establecido. El primer voltaje de celda en alcanzar el límite de voltaje dispara el límite de carga del paquete de baterías. Un paquete de baterías de celda más débil que el promedio hace que la celda más débil alcance el límite primero, lo que evita que el resto de las celdas se cargue por completo.
Un esquema de carga, como se describe, no maximiza el tiempo de ENCENDIDO de la batería por carga. El esquema de carga reduce la vida útil de la batería porque necesita más ciclos de carga y descarga. Una celda más débil se descarga más rápido. También ocurre en el ciclo de descarga; la celda más débil dispara primero el límite de descarga, dejando al resto de las celdas con carga restante.
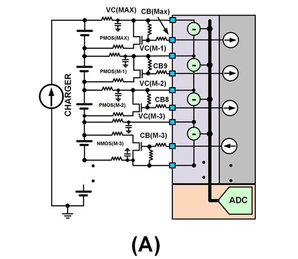
Hay dos formas de mejorar el tiempo de encendido por carga de la batería. El primero es reducir la carga a la celda más débil durante el ciclo de carga. Esto se logra conectando un FET de derivación con una resistencia limitadora de corriente a través de la celda(Figura 3A). Toma corriente de la celda con la corriente más alta, lo que da como resultado una carga de celda más lenta. Como resultado, las otras celdas del paquete de baterías pueden ponerse al día. El objetivo final es maximizar la capacidad de carga del paquete de baterías haciendo que todas las celdas alcancen simultáneamente el límite de carga completa.
3. Los FET de balanceo de celda de derivación ayudan a disminuir la velocidad de carga de una celda durante el ciclo de carga (A). El equilibrio activo se utiliza durante el ciclo de descarga para robar la carga de una celda fuerte y dar la carga a una celda débil (B).


El segundo método consiste en equilibrar el paquete de baterías en el ciclo de descarga mediante la implementación de un esquema de carga-desplazamiento. Se logra tomando carga a través de acoplamiento inductivo o almacenamiento capacitivo de la celda alfa e inyectando la carga almacenada en la celda más débil. Esto ralentiza el tiempo que tarda la celda más débil en alcanzar el límite de descarga, también conocido como equilibrio activo.(Figura 3B).
Monitoreo de temperatura
Las baterías de hoy entregan mucha corriente mientras mantienen un voltaje constante. Esto puede provocar una condición de fuga que provoque que la batería se incendie. Los productos químicos utilizados para construir una batería son muy volátiles; una batería empalada con el objeto correcto también puede hacer que la batería se incendie. Las mediciones de temperatura no solo se utilizan por motivos de seguridad, sino que también pueden determinar si es conveniente cargar o descargar una batería.
Los sensores de temperatura monitorean cada celda para aplicaciones de sistemas de almacenamiento de energía (ESS) o un grupo de celdas para aplicaciones más pequeñas y portátiles. Los termistores alimentados por una referencia de voltaje ADC interna se usan comúnmente para monitorear la temperatura de cada circuito. Además, una referencia de voltaje interna ayuda a reducir las imprecisiones de la lectura de temperatura frente a los cambios de temperatura ambiental.
Máquinas de estado o algoritmos
La mayoría de los sistemas BMS requieren un microcontrolador (MCU) o una matriz de puertas programables en campo (FPGA) para administrar la información de los circuitos de detección y luego tomar decisiones con la información recibida. En ciertos dispositivos, como el ISL94203, un algoritmo codificado digitalmente permite una solución independiente con un chip. Las soluciones independientes también son valiosas cuando se combinan con una MCU, porque la máquina de estado independiente se puede utilizar para liberar ciclos de reloj y espacio de memoria de la MCU.
Otros bloques de construcción de BMS
Otros bloques BMS funcionales pueden incluir autenticación de batería, reloj en tiempo real (RTC), memoria y conexión en cadena. El RTC y la memoria se utilizan para aplicaciones de caja negra; el RTC se utiliza como marca de tiempo y la memoria se utiliza para almacenar datos. Esto le permite al usuario conocer el comportamiento del paquete de baterías antes de un evento catastrófico. El bloque de autenticación de la batería evita que los componentes electrónicos del BMS se conecten a un paquete de baterías de terceros. El regulador / referencia de voltaje se utiliza para alimentar los circuitos periféricos alrededor del sistema BMS. Por último, los circuitos de conexión en cadena se utilizan para simplificar la conexión entre dispositivos apilados. El bloque de conexión en cadena reemplaza la necesidad de acopladores ópticos u otros circuitos de cambio de nivel.








